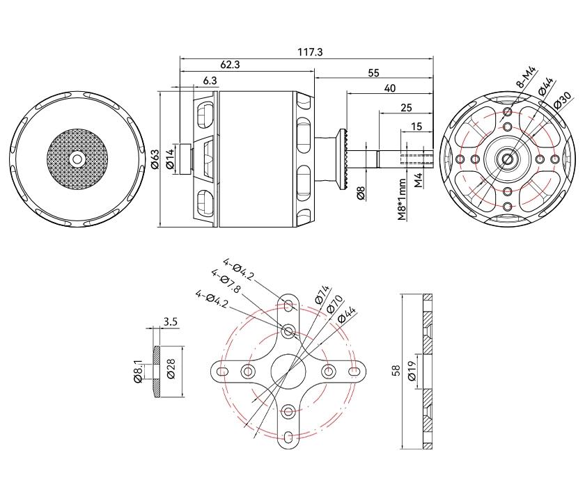
工程图






| 电机型号/KV值 | AT5330 KV220 | 磁铁耐温等级 | E级150℃ |
| 电机外观尺寸 (mm) | Φ63*117.3 | 硅胶线规格*长度 (mm) | 漆包线引出100 |
| 定子工艺 | 防锈处理,180℃涂敷 | 漆包线耐温等级 | C级 220℃ |
| 槽极数 | 12N14P | 线圈耐压 | 1000V/5s |
| 电机轴径 (mm) | IN:10 OUT:8 | 转子动平衡标准 | ≤5mg |
| 轴承型号 | 6800/6900ZZ轴承 | 防尘防水等级 | IP35 |
| KV值 | KV220 | 电池 (LiPo)/电压推荐 | 12S (单节4.2V)/42~52V |
| 空载电流 (18V) | 3.0A | 电调推荐 | AT115A (6~12S) |
| 最大电流 (A) | 75A/持续180s | 螺旋桨推荐 | 18~20寸 |
| 最大功率 (W) | 3600W/持续180s | 电机重量 (g) | 含线重量685g |
| 含线内阻 (mΩ) | 24 | 包装重量 (g) | 900g |
| 尾推电机/KV值 | AT5330 KV220 | 垂起电机/KV值推荐 | V605 KV210 |
| 尾推螺旋桨推荐 | 18~20寸 | 垂起螺旋桨推荐 | V22*7.4 |
| 尾推电调推荐 | AT115A (6~12S) | 垂起电调推荐 | FLAME 80A 12S V2.0 |
| 尾推电池 (LiPo)/电压推荐 | 12S (单节4.2V)/42~52V | 垂起电池 (LiPo)/电压推荐 | 12S (单节4.2V)/42~52V |
| 尾推使用拉力推荐 (kg) | 20~25 | 垂起单轴拉力推荐 (kg) | 4.5~6 |
| 最大起飞重量 (4轴) (kg) | 18~24 |
| 电机型号 | 螺旋桨 | 油门点 | 电压 (V) | 拉力 (gf) | 转矩 (N·m) | 电流 (A) | 转速 (RPM) | 输入功率 (W) | 力效 (gf/W) | 电机温度 (℃) |
| AT5330 KV220 | 18*10 | 40% | 44.20 | 1665 | 0.41 | 5.44 | 3555 | 240.50 | 6.92 | 77℃ |
| 45% | 44.17 | 2066 | 0.51 | 7.04 | 3949 | 310.84 | 6.65 | |||
| 50% | 44.11 | 2568 | 0.62 | 9.44 | 4390 | 416.30 | 6.17 | |||
| 55% | 44.03 | 3202 | 0.78 | 13.06 | 4885 | 574.96 | 5.57 | |||
| 60% | 43.98 | 3754 | 0.93 | 16.21 | 5277 | 712.74 | 5.27 | |||
| 65% | 43.92 | 4285 | 1.07 | 19.45 | 5642 | 854.21 | 5.02 | |||
| 70% | 43.82 | 4763 | 1.29 | 24.48 | 6040 | 1072.85 | 4.44 | |||
| 75% | 43.73 | 5409 | 1.49 | 29.84 | 6448 | 1304.90 | 4.15 | |||
| 80% | 43.62 | 6067 | 1.68 | 35.33 | 6803 | 1540.79 | 3.94 | |||
| 90% | 43.40 | 7404 | 2.08 | 47.89 | 7488 | 2078.38 | 3.56 | |||
| 100% | 43.07 | 8276 | 2.61 | 65.34 | 8075 | 2814.25 | 2.94 | |||
| 19*10 | 40% | 44.18 | 1936 | 0.48 | 6.20 | 3509 | 273.70 | 7.08 | 91℃ | |
| 45% | 44.13 | 2403 | 0.59 | 8.01 | 3899 | 353.38 | 6.80 | |||
| 50% | 44.04 | 2967 | 0.73 | 10.86 | 4324 | 478.30 | 6.20 | |||
| 55% | 43.74 | 3702 | 0.92 | 15.10 | 4807 | 660.32 | 5.61 | |||
| 60% | 43.65 | 4324 | 1.07 | 18.49 | 5185 | 806.94 | 5.36 | |||
| 65% | 43.61 | 4958 | 1.22 | 21.93 | 5538 | 956.50 | 5.18 | |||
| 70% | 43.52 | 5729 | 1.41 | 27.05 | 5934 | 1177.09 | 4.87 | |||
| 75% | 43.43 | 6581 | 1.63 | 32.99 | 6340 | 1433.07 | 4.59 | |||
| 80% | 43.31 | 7329 | 1.82 | 38.51 | 6664 | 1668.08 | 4.39 | |||
| 90% | 43.06 | 8964 | 2.25 | 52.12 | 7313 | 2244.06 | 3.99 | |||
| 100% | 42.76 | 10518 | 2.73 | 68.92 | 7898 | 2947.27 | 3.57 | |||
| 20*10 | 40% | 44.06 | 2201 | 0.54 | 6.71 | 3471 | 295.50 | 7.45 | 102℃ | |
| 45% | 43.94 | 2733 | 0.67 | 8.96 | 3852 | 393.75 | 6.94 | |||
| 50% | 43.86 | 3371 | 0.83 | 11.91 | 4267 | 522.49 | 6.45 | |||
| 55% | 43.66 | 4156 | 1.02 | 16.38 | 4728 | 715.04 | 5.81 | |||
| 60% | 43.55 | 4883 | 1.20 | 20.41 | 5115 | 888.92 | 5.49 | |||
| 65% | 43.51 | 5591 | 1.37 | 24.49 | 5465 | 1065.78 | 5.25 | |||
| 70% | 43.44 | 6444 | 1.59 | 29.82 | 5842 | 1295.52 | 4.97 | |||
| 75% | 43.28 | 7399 | 1.82 | 36.33 | 6223 | 1572.19 | 4.71 | |||
| 80% | 43.17 | 8248 | 2.04 | 42.50 | 6544 | 1834.72 | 4.50 | |||
| 90% | 43.00 | 10062 | 2.51 | 57.58 | 7189 | 2475.76 | 4.06 | |||
| 100% | 42.68 | 11913 | 3.00 | 75.34 | 7756 | 3215.34 | 3.70 | |||
| 注意:电机温度为100%油门下电机运行3分钟的外壳温度。 (该数据由T-MOTOR自主平台测试所得,仅作为选型参考,最终解释权归T-MOTOR所有) | ||||||||||
Copyright © 2003-2026 T-motor, All rights reserved. 赣ICP备2024026280号-3