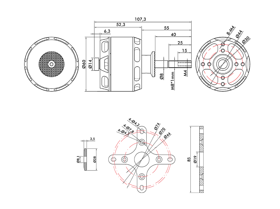
工程图






| 测试型号 | 长轴KV220 | 重量(含线) | 450g |
| 电机尺寸 | Φ60*112.3mm | 相间内阻 | 36mΩ |
| 引线规格 | 漆包线 100mm | 槽极 | 24N28P |
| 轴径 | IN:10mm OUT:8mm | 工作额定电压(Lipo) | 6-12S |
| 空载电流(10V) | 1.8A | 最大电流(180s) | 70A |
| 最大持续功率 | 610W | 推荐搭配 | / |
| 测试型号 | 长轴KV380 | 重量(含线) | 465g |
| 电机尺寸 | Φ60*112.3mm | 相间内阻 | 11mΩ |
| 引线规格 | 漆包线 100mm | 槽极 | 24N28P |
| 轴径 | IN:10mm OUT:8mm | 工作额定电压(Lipo) | 6S |
| 空载电流(10V) | 4.0A | 最大电流(180s) | 100A |
| 最大持续功率 | 568W | 推荐搭配 | / |
| 型号 | 桨 | 油门点 | 电压 (V) | 电流 (A) | 功率 (W) | 转速 | 扭矩 (N*m) | 拉力 (g) | 力效 (G/W) | 电机温度 (℃) |
| AT5220-A 长轴 KV220 | APC 18*8 | 40% | 44.30 | 4.27 | 189.20 | 3585 | 0.383 | 1469 | 7.77 | 81 (环境温度: /) |
| 45% | 44.27 | 5.57 | 246.66 | 3980 | 0.460 | 1818 | 7.37 | |||
| 50% | 44.20 | 8.59 | 379.74 | 4592 | 0.600 | 2446 | 6.44 | |||
| 55% | 44.13 | 11.17 | 492.86 | 5055 | 0.745 | 3009 | 6.11 | |||
| 60% | 44.08 | 13.86 | 611.06 | 5473 | 0.857 | 3502 | 5.73 | |||
| 65% | 44.01 | 16.93 | 611.06 | 5839 | 0.991 | 4080 | 5.48 | |||
| 70% | 43.93 | 20.49 | 900.27 | 6232 | 1.131 | 4668 | 5.19 | |||
| 75% | 43.84 | 24.92 | 1092.62 | 6656 | 1.326 | 5323 | 4.87 | |||
| 80% | 43.75 | 29.00 | 1092.62 | 6969 | 1.466 | 5924 | 4.67 | |||
| 90% | 43.54 | 38.65 | 1682.85 | 7614 | 1.757 | 7142 | 4.24 | |||
| 100% | 43.33 | 48.86 | 2116.80 | 8141 | 2.037 | 8185 | 3.87 | |||
FALCON 18*10 | 40% | 44.30 | 4.71 | 208.48 | 3526 | 0.435 | 1529 | 7.33 | 95 (环境温度: /) | |
| 45% | 44.26 | 6.17 | 272.92 | 3909 | 0.530 | 1899 | 6.96 | |||
| 50% | 44.18 | 9.60 | 424.00 | 4500 | 0.697 | 2555 | 6.03 | |||
| 55% | 44.13 | 12.30 | 542.84 | 4957 | 0.871 | 3100 | 5.71 | |||
| 60% | 44.06 | 15.45 | 680.69 | 5393 | 1.055 | 3670 | 5.39 | |||
| 65% | 43.98 | 18.85 | 829.10 | 5756 | 1.185 | 4218 | 5.09 | |||
| 70% | 43.91 | 22.54 | 989.79 | 6131 | 1.328 | 4818 | 4.87 | |||
| 75% | 43.79 | 27.63 | 1210.20 | 6541 | 1.486 | 5470 | 4.52 | |||
| 80% | 43.69 | 32.51 | 1420.65 | 6817 | 1.634 | 5725 | 4.03 | |||
| 90% | 43.46 | 43.51 | 1891.09 | 7420 | 2.049 | 6819 | 3.61 | |||
| 100% | 43.22 | 54.71 | 2364.75 | 7936 | 2.354 | 7806 | 3.30 | |||
FALCON 19*10 | 40% | 44.27 | 5.10 | 225.98 | 3480 | 0.482 | 1730 | 7.66 | 106 (环境温度: /) | |
| 45% | 44.24 | 6.73 | 297.83 | 3853 | 0.578 | 2172 | 7.29 | |||
| 50% | 44.15 | 10.39 | 458.61 | 4423 | 0.779 | 2894 | 6.31 | |||
| 55% | 44.07 | 13.85 | 610.43 | 4895 | 0.929 | 3525 | 5.78 | |||
| 60% | 43.99 | 17.53 | 771.33 | 5314 | 1.099 | 4220 | 5.47 | |||
| 65% | 43.92 | 21.04 | 924.14 | 5651 | 1.240 | 4817 | 5.21 | |||
| 70% | 43.82 | 25.78 | 1129.54 | 6007 | 1.422 | 5554 | 4.92 | |||
| 75% | 43.71 | 30.89 | 1350.43 | 6387 | 1.585 | 6236 | 4.62 | |||
| 80% | 43.61 | 35.84 | 1562.82 | 6691 | 1.790 | 6884 | 4.41 | |||
| 90% | 43.37 | 47.17 | 2045.77 | 7289 | 2.132 | 8240 | 4.03 | |||
| 100% | 43.11 | 59.53 | 2566.74 | 7781 | 2.468 | 9499 | 3.70 | |||
| 注意:电机温度为100%油门下电机运行3分钟的温度。 (以上数据均由2017款测试平台测得,不能与其它型号老数据做横向对比,仅供参考) | ||||||||||
| AT5220-A 长轴 KV380 | APC 18*8 | 40% | 22.02 | 8.48 | 186.80 | 3491 | 0.373 | 1426 | 7.63 | 74 (环境温度: /) |
| 45% | 21.96 | 11.05 | 242.62 | 3867 | 0.470 | 1757 | 7.24 | |||
| 50% | 21.83 | 17.22 | 375.97 | 4437 | 0.614 | 2367 | 6.29 | |||
| 55% | 21.74 | 21.32 | 463.48 | 4818 | 0.724 | 2787 | 6.01 | |||
| 60% | 21.63 | 26.63 | 576.14 | 5238 | 0.854 | 3273 | 5.68 | |||
| 65% | 21.53 | 31.43 | 676.66 | 5536 | 0.939 | 3696 | 5.46 | |||
| 70% | 21.41 | 37.34 | 799.35 | 5876 | 1.054 | 4117 | 5.15 | |||
| 75% | 21.24 | 44.95 | 954.74 | 6211 | 1.260 | 4560 | 4.78 | |||
| 80% | 21.09 | 51.43 | 1084.83 | 6476 | 1.518 | 5000 | 4.61 | |||
| 90% | 20.78 | 66.45 | 1380.62 | 7006 | 1.698 | 5903 | 4.28 | |||
| 100% | 20.43 | 82.27 | 1680.38 | 7422 | 1.900 | 6733 | 4.01 | |||
FALCON 18*10 | 40% | 22.02 | 9.29 | 204.46 | 3393 | 0.387 | 1452 | 7.10 | 81 (环境温度: /) | |
| 45% | 21.97 | 11.85 | 260.37 | 3748 | 0.461 | 1741 | 6.69 | |||
| 50% | 21.87 | 16.83 | 368.06 | 4203 | 0.587 | 2215 | 6.02 | |||
| 55% | 21.73 | 23.19 | 503.81 | 4676 | 0.733 | 2734 | 5.43 | |||
| 60% | 21.61 | 28.99 | 626.57 | 5080 | 0.885 | 3267 | 5.21 | |||
| 65% | 21.50 | 34.13 | 733.94 | 5385 | 1.024 | 3687 | 5.02 | |||
| 70% | 21.37 | 40.60 | 867.53 | 5700 | 1.139 | 4162 | 4.80 | |||
| 75% | 21.21 | 48.06 | 1019.47 | 6003 | 1.259 | 4651 | 4.56 | |||
| 80% | 21.07 | 54.89 | 1156.66 | 6270 | 1.370 | 5092 | 4.40 | |||
| 90% | 20.70 | 72.94 | 1509.93 | 6723 | 1.629 | 5636 | 3.73 | |||
| 100% | 20.34 | 90.14 | 1833.17 | 7128 | 1.853 | 6328 | 3.45 | |||
FALCON 19*10 | 40% | 22.00 | 10.36 | 227.99 | 3370 | 0.459 | 1718 | 7.54 | 91 (环境温度: /) | |
| 45% | 21.94 | 13.29 | 291.53 | 3739 | 0.537 | 2038 | 6.99 | |||
| 50% | 21.84 | 18.44 | 402.67 | 4155 | 0.685 | 2584 | 6.42 | |||
| 55% | 21.67 | 26.22 | 568.26 | 4635 | 0.842 | 3168 | 5.58 | |||
| 60% | 21.53 | 33.20 | 714.61 | 5031 | 1.014 | 3807 | 5.33 | |||
| 65% | 21.42 | 38.67 | 828.27 | 5325 | 1.114 | 4233 | 5.11 | |||
| 70% | 21.28 | 45.61 | 970.30 | 5624 | 1.226 | 4684 | 4.83 | |||
| 75% | 21.10 | 54.16 | 1142.78 | 5924 | 1.364 | 5250 | 4.59 | |||
| 80% | 20.95 | 61.71 | 1292.68 | 6172 | 1.479 | 5697 | 4.41 | |||
| 90% | 20.58 | 79.40 | 1634.41 | 6640 | 1.716 | 6703 | 4.10 | |||
| 100% | 20.21 | 96.83 | 1956.90 | 7020 | 1.921 | 7516 | 3.84 | |||
| 注意:电机温度为100%油门下电机运行3分钟的温度。 (以上数据均由2017款测试平台测得,不能与其它型号老数据做横向对比,仅供参考) | ||||||||||
Copyright © 2003-2023 T-motor, All rights reserved. 赣ICP备2024026280号-3