工程图





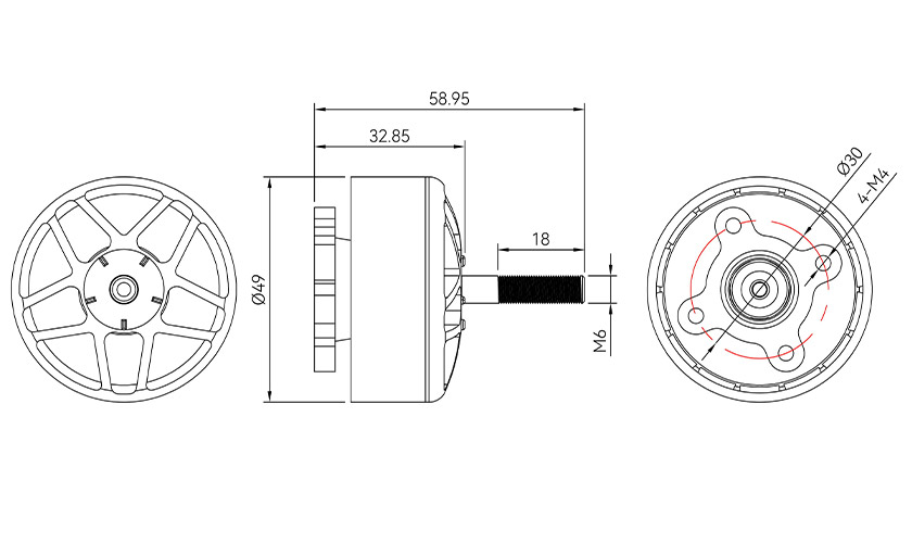
| 电机型号 | 4214 | 电机尺寸 | φ49*58.95 |
| 磁铁 | 镀锌弧形磁铁 | 线圈绝缘测试 | 500V耐压测试 |
| 转子动平衡标准 | ≤5mg | 槽级数 | 12N14P |
| 出轴轴径 | 6mm | 出线规格/长度 | 14AWG*400mm |
| 电机安装孔尺寸 | Φ30-M4-4孔 | 桨叶安装尺寸 | M6 |
| 技术参数 | |||
| KV值/推荐电压 | KV380 | 空载电流 (10V) | 1.3A |
| 最大功率 | 1058W | 相间内阻 | 63.3mΩ |
| 工作额定电压 | 6-12S | 最大电流 | 48.74A |
| 最大拉力 | 5.64KG | 电机重量 (含线) | 211.2g |
| KV值/推荐电压 | KV400 | 空载电流 (10V) | 1.3A |
| 最大功率 | 886W | 相间内阻 | 63.3mΩ |
| 工作额定电压 | 6-12S | 最大电流 | 38.75A |
| 最大拉力 | 4.41KG | 电机重量 (含线) | 211.2g |
| 推荐搭配 | |||
| 电机 | 4214 KV380 | 机架类型 | 15寸x4机架 |
| 桨叶 | C15*8*3 | 电池电压 | 29.6v |
| 电调 | V70A se | 推荐起飞重量区间 | 12kg内 |
| 飞控 | F7se | 最大起飞重量 | 18kg |
| 实测数据: | 11kg起飞重量,5kg负载,30000mah8s电池,100km/h速度下飞行30mini 50km 18kg起飞重量,12kg负载,30000mah8s电池,80km/h速度下飞行13mini 18km | ||
| 电机 | 4214 KV380 | 机架类型 | 13寸x4机架 |
| 桨叶 | C13*10*3 | 电池电压 | 29.6v |
| 电调 | V70A se | 推荐起飞重量区间 | 10kg内 |
| 飞控 | F7se | 最大起飞重量 | 14kg |
| 实测数据: | 11kg起飞重量,5kg负载,30000mah8s电池,100km/h速度下飞行23mini 39km 14kg起飞重量,8kg负载,30000mah8s电池,80km/h速度下飞行17mini 23km | ||
| 型号 | 桨 | 电压 (V) | 油门点 (%) | 电流 (A) | 转速 (rpm) | 拉力 (g) | 功率 (W) | 力效 (g/W) | 扭矩 (N.m) | 电机温度 (℃) |
| 4214 KV380 | C15*8*3 | 29.63 | 10% | 0.17 | 894 | 58 | 2 | 34.38 | 0.02 | 35℃ |
| 29.62 | 20% | 0.81 | 1846 | 282 | 15 | 18.50 | 0.08 | |||
| 29.60 | 30% | 2.25 | 2751 | 684 | 50 | 13.64 | 0.17 | |||
| 29.55 | 40% | 4.79 | 3598 | 1209 | 111 | 10.85 | 0.30 | |||
| 29.48 | 50% | 8.55 | 4383 | 1816 | 200 | 9.07 | 0.44 | |||
| 29.39 | 60% | 13.63 | 5109 | 2498 | 318 | 7.86 | 0.59 | |||
| 29.27 | 70% | 20.13 | 5791 | 3240 | 466 | 6.95 | 0.77 | |||
| 29.13 | 80% | 27.82 | 6403 | 4000 | 635 | 6.30 | 0.95 | |||
| 28.96 | 90% | 37.31 | 6990 | 4806 | 834 | 5.76 | 1.14 | |||
| 28.75 | 100% | 48.74 | 7538 | 5641 | 1058 | 5.33 | 1.34 | |||
| 4214 KV400 | C13*10*3 | 29.64 | 10% | 0.13 | 903 | 41 | 1 | 33.90 | 0.01 | 32℃ |
| 29.63 | 20% | 0.63 | 1892 | 209 | 12 | 17.53 | 0.06 | |||
| 29.60 | 30% | 1.74 | 2828 | 505 | 39 | 12.99 | 0.13 | |||
| 29.56 | 40% | 3.71 | 3715 | 912 | 87 | 10.43 | 0.22 | |||
| 29.51 | 50% | 6.70 | 4550 | 1391 | 160 | 8.67 | 0.34 | |||
| 29.44 | 60% | 10.79 | 5319 | 1927 | 258 | 7.46 | 0.46 | |||
| 29.34 | 70% | 16.09 | 6058 | 2520 | 383 | 6.58 | 0.60 | |||
| 29.22 | 80% | 22.57 | 6742 | 3140 | 533 | 5.89 | 0.75 | |||
| 29.09 | 90% | 29.74 | 7366 | 3742 | 694 | 5.39 | 0.90 | |||
| 28.93 | 100% | 38.75 | 7966 | 4414 | 886 | 4.98 | 1.06 |
Copyright © 2003-2023 T-motor, All rights reserved. 赣ICP备2024026280号-3