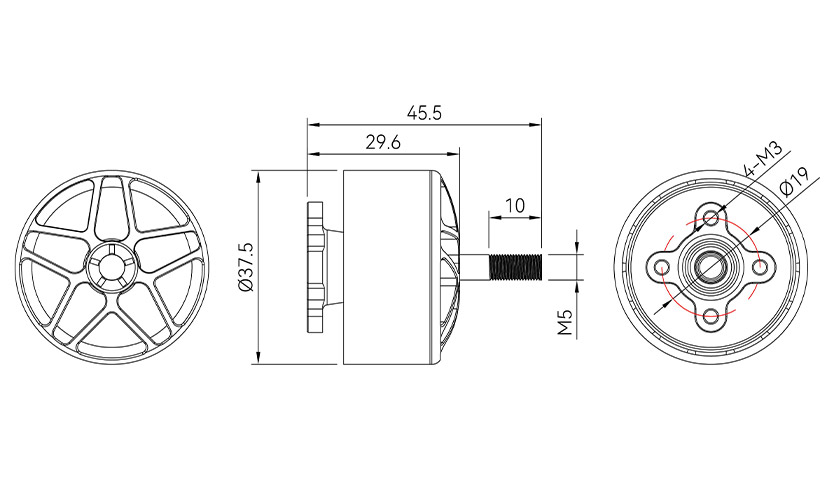
工程图





| 电机型号 | XMM3115 | 电机尺寸 | φ37.5*45.5 |
| 磁铁 | 镀锌弧形磁铁 | 线圈绝缘测试 | 500V耐压测试 |
| 转子动平衡标准 | ≤5mg | 槽级数 | 12N14P |
| 出轴轴径 | 5mm | 出线规格/长度 | 18AWG*250mm |
| 电机安装孔尺寸 | Φ19-M3-4孔 | 桨叶安装尺寸 | M5X14.5mm |
| 技术参数 | |||
| KV值/推荐电压 | KV900 | 空载电流 (10V) | 1.4A |
| 最大功率 | 787W | 相间内阻 | 42.71mΩ |
| 工作额定电压 | 6S | 最大电流 | 64.37A |
| 最大拉力 | 3.49KG | 电机重量 (含线) | 111.2g |
| 推荐搭配 | |||
| 电机 | 3115 KV900 | 机架类型 | 10.5寸x4机架 |
| 桨叶 | c10.5x5x3 | 电池电压 | 22.2v |
| 电调 | V70A se | 推荐起飞重量区间 | 8.8kg内 |
| 飞控 | F7se | 最大起飞重量 | 11.6kg |
| 实测数据: | 6kg起飞重量,2kg负载,30000mah6s电池,80km/h速度下飞行20mini 26km 11.6kg起飞重量,8kg负载,25000mah6s电池,60km/h速度下飞行9mini 9km | ||
| 型号 | 桨 | 电压 (V) | 油门点 (%) | 电流 (A) | 转速 (rpm) | 拉力 (g) | 功率 (W) | 力效 (g/W) | 扭矩 (N.m) | 电机温度 (℃) |
| 3115 KV900 | C10.5*5*3 | 22.27 | 10% | 0.24 | 1715 | 55 | 2 | 24.63 | 0.01 | 49℃ |
| 22.25 | 20% | 1.27 | 3428 | 254 | 18 | 14.09 | 0.05 | |||
| 22.20 | 30% | 3.69 | 5048 | 593 | 58 | 10.25 | 0.11 | |||
| 22.13 | 40% | 7.91 | 6509 | 1009 | 125 | 8.10 | 0.18 | |||
| 22.02 | 50% | 13.69 | 7815 | 1475 | 217 | 6.80 | 0.27 | |||
| 21.88 | 60% | 21.28 | 8932 | 1942 | 326 | 5.95 | 0.35 | |||
| 21.71 | 70% | 30.46 | 9957 | 2427 | 457 | 5.31 | 0.44 | |||
| 21.52 | 80% | 41.19 | 10778 | 2853 | 583 | 4.89 | 0.52 | |||
| 21.31 | 90% | 52.47 | 11398 | 3216 | 694 | 4.63 | 0.58 | |||
| 21.07 | 100% | 64.37 | 11873 | 3496 | 787 | 4.44 | 0.63 |
Copyright © 2003-2023 T-motor, All rights reserved. 赣ICP备2024026280号-3