工程图





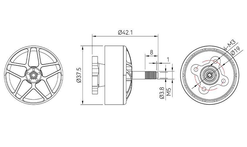
| 电机型号 | 3110 | 电机尺寸 | φ37.5*42.1 |
| 磁铁 | 镀锌弧形磁铁 | 线圈绝缘测试 | 500V耐压测试 |
| 转子动平衡标准 | ≤5mg | 槽级数 | 12N14P |
| 出轴轴径 | 5mm | 出线规格/长度 | 18AWG*250mm |
| 电机安装孔尺寸 | Φ19-M3-4孔 | 桨叶安装尺寸 | M5 |
| 技术参数 | |||
| KV值/推荐电压 | KV1580 | 空载电流 (10V) | 2.05A |
| 最大功率 | 878W | 相间内阻 | 35.8mΩ |
| 工作额定电压 | 6S | 最大电流 | 78.09A |
| 最大拉力 | 2.97kg | 电机重量 (含线) | 79.4g |
| 推荐搭配 | |||
| 电机 | 3110 KV1580 | 机架类型 | 7.5寸x4机架 |
| 桨叶 | C7.5*4.6*3 | 电池电压 | 22.2v |
| 电调 | V70A se | 推荐起飞重量区间 | 2.5kg内 |
| 飞控 | F7 se | 最大起飞重量 | 4kg |
| 实测数据: | 1.7kg起飞重量,无负载,10000mah 6s电池,180km/h速度下飞行4mini 10km 2.2kg起飞重量,0.5kg负载,10000mah 6s电池,160km/h速度下飞行3mini 8km | ||
| 桨 | 电压 (V) | 油门点 (%) | 电流 (A) | 转速 (rpm) | 拉力 (g) | 功率 (W) | 力效 (g/W) | 扭矩 (N.m) | 电机温度 (℃) |
| C7.5*4.6*3 | 22.23 | 10% | 0.38 | 2961 | 56 | 3 | 20.38 | 0.01 | 55℃ |
| 22.19 | 20% | 1.83 | 5728 | 257 | 24 | 10.51 | 0.04 | ||
| 22.11 | 30% | 5.05 | 8260 | 562 | 75 | 7.45 | 0.09 | ||
| 21.93 | 40% | 10.57 | 10573 | 942 | 159 | 5.91 | 0.14 | ||
| 21.75 | 50% | 17.46 | 12515 | 1331 | 266 | 5.01 | 0.20 | ||
| 21.49 | 60% | 27.20 | 14136 | 1710 | 386 | 4.43 | 0.26 | ||
| 21.21 | 70% | 38.00 | 15637 | 2107 | 526 | 4.00 | 0.32 | ||
| 20.89 | 80% | 49.89 | 16797 | 2448 | 658 | 3.72 | 0.37 | ||
| 20.48 | 90% | 64.09 | 17768 | 2747 | 782 | 3.51 | 0.42 | ||
| 20.09 | 100% | 78.09 | 18470 | 2975 | 878 | 3.39 | 0.45 |
Copyright © 2003-2023 T-motor, All rights reserved. 赣ICP备2024026280号-3