工程图





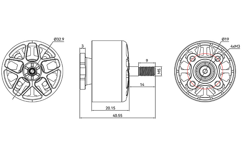
| 电机型号 | 2814 | 电机尺寸 | φ32.9*40.55 |
| 磁铁 | 镀锌弧形磁铁 | 线圈绝缘测试 | 500V耐压测试 |
| 转子动平衡标准 | ≤5mg | 槽级数 | 12N14P |
| 出轴轴径 | 5mm | 出线规格/长度 | 18AWG*300mm |
| 电机安装孔尺寸 | Φ19-M3-4孔 | 桨叶安装尺寸 | M5 |
| 技术参数 | |||
| KV值/推荐电压 | KV900 | 空载电流 (10V) | 1.05A |
| 最大功率 | 881W | 相间内阻 | 69.1mΩ |
| 工作额定电压 | 4-8S | 最大电流 | 41.59A |
| 最大拉力 | 3.03KG | 电机重量 (含线) | 83.7g |
| 推荐搭配 | |||
| 电机 | 2814 KV900 | 机架类型 | 7.5寸x4机架 |
| 桨叶 | C7.5*4.6*3 | 电池电压 | 29.6v |
| 电调 | V70A se | 推荐起飞重量区间 | 3kg内 |
| 飞控 | F7 se | 最大起飞重量 | 6kg |
| 实测数据: | 1.7kg起飞重量,无负载,7000mah8s电池,200km/h速度下飞行4mini 12km 2.2kg起飞重量,0.5kg负载,7000mah 8s电池,200km/h速度下飞行3mini 9km | ||
| 型号 | 桨 | 电压 (V) | 油门点 (%) | 电流 (A) | 转速 (rpm) | 拉力 (g) | 功率 (W) | 力效 (g/W) | 扭矩 (N.m) | 电机温度 (℃) |
| 2814 KV900 | C7.5*4.6*3 | 29.64 | 10% | 0.20 | 2280 | 39 | 2 | 22.96 | 0.01 | 55℃ |
| 29.62 | 20% | 0.86 | 4642 | 168 | 12 | 13.46 | 0.03 | |||
| 29.59 | 30% | 2.24 | 6868 | 385 | 42 | 9.25 | 0.06 | |||
| 29.53 | 40% | 4.49 | 8897 | 678 | 93 | 7.33 | 0.10 | |||
| 29.43 | 50% | 7.79 | 10839 | 1018 | 169 | 6.04 | 0.15 | |||
| 29.29 | 60% | 12.33 | 12592 | 1398 | 271 | 5.16 | 0.21 | |||
| 29.15 | 70% | 17.95 | 14253 | 1789 | 396 | 4.52 | 0.27 | |||
| 28.97 | 80% | 24.65 | 15796 | 2197 | 544 | 4.04 | 0.33 | |||
| 28.76 | 90% | 32.58 | 17204 | 2621 | 707 | 3.71 | 0.39 | |||
| 28.52 | 100% | 41.59 | 18434 | 3032 | 881 | 3.44 | 0.46 |
Copyright © 2003-2023 T-motor, All rights reserved. 赣ICP备2024026280号-3